- Úvod
- Bránové systémy
- Zámky s kazetou
- Profil 40 x 40 x 2 x 1500 mm so zámkom ZM90/40H, pravý
Profil 40 x 40 x 2 x 1500 mm so zámkom ZM90/40H, pravý
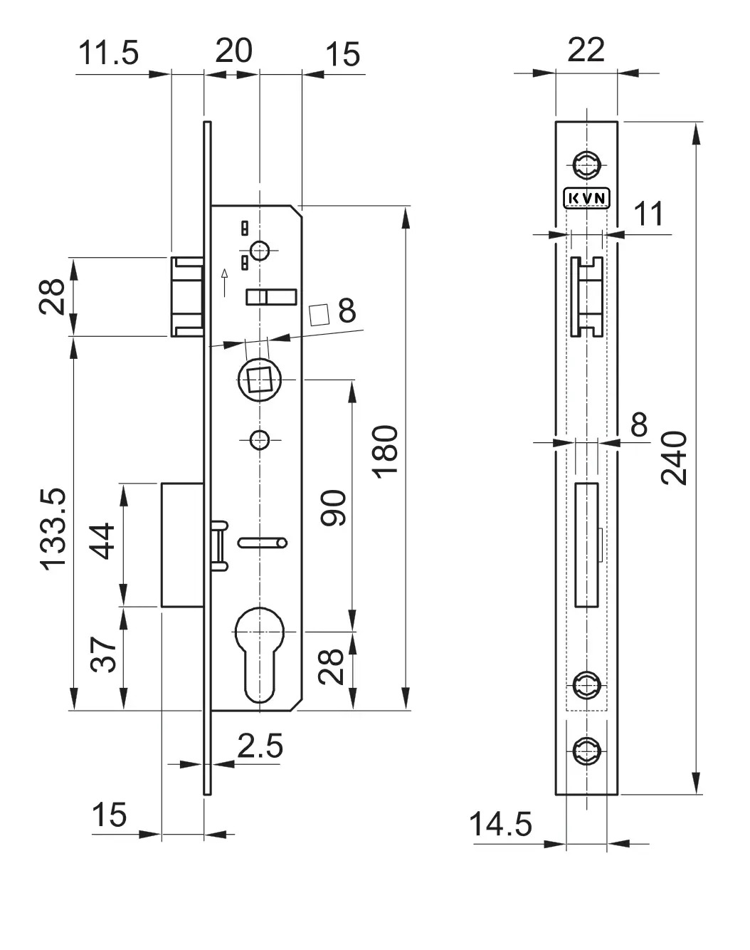
- Kompletné špecifikácie
Profil 40 x 40 x 2 x 1500 mm so zámkom ZM90/40H, pravýSkladom28,12 €/ KS22,86 € bez DPH
Zámky s kazetou na bránku slúžia na jednoduché a presné osadenie zámku priamo do kovového profilu bez potreby zložitého vyrezávania a frézovania. Používajú sa pri výrobe bránok, kde je cieľom urýchliť prácu a zároveň dosiahnuť presný výsledok.
Ide o riešenie, kde je samotný zámok už osadený v kovovej kazete, ktorá je pripravená na zabudovanie do konštrukcie. Kazeta sa následne prizvára do jokla alebo iného profilu, z ktorého sa vyrába bránka. V praxi to znamená, že odpadá zdĺhavé meranie, vyrezávanie otvorov a dodatočné prispôsobovanie zámku.
Kazety sú vyrábané v rôznych rozmeroch, aby pasovali do bežných profilov používaných pri výrobe bránok. Rovnako sú dostupné rôzne rozteče zámkov, čo umožňuje prispôsobiť výber podľa konkrétneho typu kovania alebo vložky. Táto variabilita je dôležitá najmä pri zákazkovej výrobe, kde sa každá bránka rieši trochu inak.
Materiálové prevedenie je kovové, čo zabezpečuje dostatočnú pevnosť a odolnosť. Kazeta je v surovom stave, určená na zváranie, takže si ju vie výrobca prispôsobiť podľa potreby. Výhodou je aj presnosť – kazety sú vyrábané na CNC strojoch, takže otvory a uloženie zámku sú presné a zodpovedajú konkrétnemu typu mechanizmu.
Z praxe sa často rieši problém, že pri klasickom osádzaní zámku do profilu vzniknú nepresnosti. Zámok nesedí, jazýček nedolieha alebo je problém s vložkou. Pri kazetovom riešení tieto problémy odpadajú, pretože všetko je pripravené dopredu. Výsledok je rovný, presný a funkčný bez dodatočných úprav.
Montáž je jednoduchá, ale treba dodržať základné veci. Kazetu je potrebné presne osadiť do profilu a správne ju prizvariť. Dôležité je dodržať rovinu a polohu voči rámu bránky, aby zámok správne zapadal do protikusu. Najčastejšia chyba je zlé vycentrovanie alebo prehriatie pri zváraní, čo môže spôsobiť mierne deformácie.
Použitie je typické pri výrobe kovových bránok na rodinných domoch, ale aj pri plotoch, vstupoch do areálov alebo technických priestoroch. Svoje miesto má najmä tam, kde sa robí viac kusov alebo kde je dôraz na rýchlosť a presnosť výroby.
Pri rozhodovaní je dôležité vedieť, aký profil používate a akú rozteč zámku potrebujete. Nesprávny výber znamená dodatočné úpravy, čo neguje výhodu kazety. Pre bežnú výrobu je toto riešenie vhodné, ak chcete ušetriť čas a mať istotu, že zámok bude sedieť presne.
V porovnaní s klasickým osádzaním zámku priamo do profilu je kazeta výrazne rýchlejšia a presnejšia. Alternatívou je ručné vyrezávanie a prispôsobovanie, ktoré však zaberie viac času a výsledok závisí od skúseností. Kazetový zámok je viac „hotové riešenie“, ktoré eliminuje chyby.
Z montážnej praxe je vidieť, že pri sériovej výrobe alebo opakovaných projektoch sa kazety oplatia najviac. Šetria čas a znižujú riziko nepresností.
V konečnom dôsledku ide o praktické riešenie pre osadenie zámku do bránky, ktoré zjednodušuje výrobu, zvyšuje presnosť a šetrí čas pri realizácii.
FAQ
Na čo slúži zámok s kazetou?
Na rýchle a presné osadenie zámku do kovového profilu bez frézovania.
Treba pri montáži vyrezávať otvor do jokla?
Nie, kazeta je pripravená na priamu montáž zváraním.
Ako vybrať správny rozmer kazety?
Podľa profilu (jokla), z ktorého vyrábate bránku.
Čo znamená rozteč zámku?
Je to vzdialenosť medzi kľučkou a vložkou, ktorá musí sedieť s ostatným kovaním.
Je kazeta vhodná aj pre začiatočníkov?
Áno, výrazne zjednodušuje montáž a znižuje riziko chýb.



