- Úvod
- Bránové systémy
- Závesný systém
- Profily
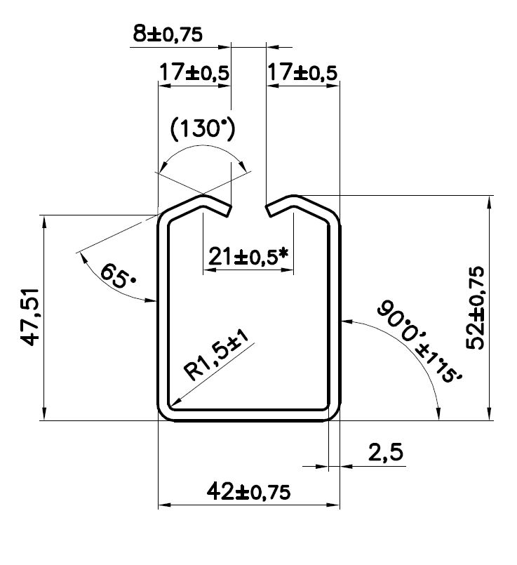
- Profil MEDIO 42 x 52 x 2,5 x 4000 mm
Profil MEDIO 42 x 52 x 2,5 x 4000 mm
- Kompletné špecifikácie
Profil MEDIO 42 x 52 x 2,5 x 4000 mmSkladom52,20 €/ KS42,43 € bez DPH
Kolajnica od popredného talianského výrobcu Combi Arialdo. Povrchová úprava- pozink. Použitie pre závesné brány.Kombinácia so závesným kolieskom C750M a C752M.
Vozík pre závesný systém, 2 kolieska, do 200kg, uzatvorené ložiská, pre profil C920G
Závesný systém brány slúži na vedenie posuvnej brány zhora, bez potreby spodnej koľajnice v zemi. Používa sa tam, kde je potrebné spoľahlivé a čisté riešenie pohybu brány bez toho, aby sa zanášala špina, sneh alebo voda do pojazdu.
Funguje na princípe horného nosného profilu, v ktorom sa pohybujú vozíky uchytené na krídle brány. Celá váha brány je prenesená do hornej konštrukcie, takže spodná časť zostáva voľná. To je výhoda hlavne v miestach, kde by klasická koľajnica v zemi spôsobovala problémy – napríklad na dvoroch so štrkom, v blate, pri vjazdoch so sklonom alebo tam, kde prechádza technika.
Pri novostavbe sa závesný systém plánuje dopredu, pretože je potrebné pripraviť nosnú konštrukciu nad otvorom. Pri rekonštrukcii sa používa v prípadoch, keď už existujúca brána nefunguje spoľahlivo kvôli zanesenej alebo poškodenej spodnej koľajnici. V takých situáciách vie závesné riešenie odstrániť problém úplne, nie len ho dočasne obísť.
Z technického hľadiska ide o kombináciu nosného profilu, pojazdových vozíkov a uchytenia brány. Profil musí byť dostatočne pevný, aby uniesol váhu celej brány bez prehnutia. Vozíky zabezpečujú plynulý pohyb a musia zvládnuť opakované zaťaženie bez vôle. Materiálovo sa používa oceľ s povrchovou úpravou, najčastejšie pozinkovanie, prípadne nerez v náročnejších podmienkach.
V praxi sa často rieši otázka, či systém unesie aj ťažšiu bránu. Odpoveď závisí od správneho dimenzovania. Ak je profil aj vozíky zvolené podľa hmotnosti brány a správne ukotvené, systém funguje bez problémov aj pri väčších rozmeroch. Problémy vznikajú vtedy, keď sa podcení nosná konštrukcia alebo sa zvolí slabší profil.
Montáž nie je zložitá, ale vyžaduje presnosť. Základ je rovné a pevné uchytenie horného profilu. Ak je profil krivo alebo nie je v jednej osi, brána sa bude zasekávať alebo pôjde ťažko. Treba si pripraviť presné meranie, zváranie alebo kotvenie do pevnej konštrukcie a následné osadenie vozíkov. Najväčší vplyv na výsledok má rovinnosť a tuhosť celej zostavy. Ak sa to podcení, systém síce funguje, ale opotrebovanie je výrazne rýchlejšie.
Závesné systémy sa používajú pri rodinných domoch, ale častejšie ich vidno v technických a priemyselných objektoch, halách, skladoch alebo dvoroch, kde je vysoká frekvencia pohybu a náročné podmienky na údržbu. Veľmi dobre fungujú aj pri prístreškoch alebo dielňach, kde nie je vhodné zasahovať do podlahy.
Pri rozhodovaní je dôležité zvážiť, či máš možnosť vytvoriť horné nosné vedenie. Ak áno, závesný systém dáva veľký zmysel najmä tam, kde by spodná koľajnica prekážala alebo sa rýchlo zanášala. Naopak, ak nie je priestor na hornú konštrukciu, vhodnejšie sú iné riešenia.
V porovnaní so samonosnými bránami má závesný systém výhodu v tom, že nevyžaduje masívny základ a protiváhu. Oproti koľajnicovým bránam zas eliminuje problém so zanášaním koľajnice. Každé riešenie má svoje miesto, ale závesný systém sa v praxi osvedčil tam, kde je dôraz na čistotu, spoľahlivosť a minimálnu údržbu.
Z dlhodobej skúsenosti platí, že ak je systém správne navrhnutý a osadený, funguje bez problémov roky bez nutnosti zásahov. Najčastejšie chyby vznikajú nie v samotnom systéme, ale v podcenení konštrukcie alebo nepresnej montáži.
V konečnom výsledku ide o praktické riešenie pre posuvné brány, ktoré eliminuje slabé miesto klasických systémov v zemi a prináša stabilný a plynulý chod aj v náročných podmienkach.
FAQ
Čo je závesný systém brány?
Je to systém, kde sa brána pohybuje po hornom profile a nie je vedená po koľajnici v zemi.
Treba pri závesnej bráne koľajnicu v zemi?
Nie, spodná koľajnica nie je potrebná, brána je nesená zhora.
Unesie závesný systém aj ťažkú bránu?
Áno, ak je správne dimenzovaný podľa hmotnosti a správne ukotvený.
Je montáž náročná?
Nie je zložitá, ale vyžaduje presné vyrovnanie a pevné uchytenie nosného profilu.
Kde sa závesný systém najčastejšie používa?
Najmä tam, kde by spodná koľajnica prekážala alebo sa zanášala, napríklad v dvoroch, halách a technických priestoroch.


